fischer Nagelanker

Omschrijving
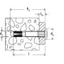
Het fischer Nagelanker FNA II 6 met nagelkop is vervaardigd van gegalvaniseerd staal. De FNA II wordt met slechts enkele tikken en dus tijdbesparend in de doorsteekmontage aangebracht. Bij belasting spreidt de FNA II zich automatisch uit. Daarbij wordt de conus in de spreidclip getrokken en spant deze tegen de wand van het boorgat. Het fischer Nagelanker FNA II 6 met nagelkop wordt vooral voor de bevestiging van brandwerende platen, draad- en noniushangers in de interieurbouw gebruikt.
Lees meer...
Varianten
Varianten laden...
Productnummerlengte(mm)verpaktperklembereiklengte(plug)boordiepte(minimaal)PrijsEenheid
114305287,5500 - 508590
197624867,5500 - 306570
114304142,5100-4045
1976019112,550-110115