Voor 17.30 besteld, morgen in huis*
6 dagen per week geopend
Iedere werkdag bereikbaar van 07.00 - 17.30 uur
Registreren
|
Inloggen
Close
Results
Filters
Close
Load more results...
Scan Again
Show Scanner
Results
Load more results...
Welkom Gast
Registreren
Inloggen
Assortiment
Assortiment
Aandrijftechniek
Aandrijftechniek
Afdichtingen
Afdichtingen
O-ringen
Pakkingplaat
Lagers
Lagers
Glijbussen
Groefkogellagers
Kogellagers
Lagerhuizen
Pneumatiek
Pneumatiek
Koppelingen
Persluchtverzorging
Smering
Smering
Smeernippel, toebehoren
Smeernippels
Tandwielaandrijvingen
Tandwielaandrijvingen
Tandwielen conisch
Ankerwerk
Ankerwerk
Bevestigingsankers
Bevestigingsankers
Betonschroefhulzen
Bevestigingsanker, toebehoren
Boutankers
Koppelbussen
Staafankers
Bouwverankering
Bouwverankering
Ankerwerk
Dakverankering
Elementverankering
Kimankers
Kozijnankers
Kramplaten
Leuningankers
Muurplaatankers
Opwaaiankers
Randbekistingankers
Randbeveiliging
Stelplaten
Wandankers dilaterend
Wandankers star
Houtverbindingen
Houtverbindingen
Balkdragers korte lip
Balkdragers lange lip
Balkdragers licht
Balkdragers zonder lip
Dakverankering
Gordinglassen
Hoekankers
Hoeken
Koppelingen
Raveeldragers
Spijkerplaten
Spouwbladanker
Trekanker
Vloer-kozijnstrippen
Panhaken
Panhaken
Panhaken
Spouwankers
Spouwankers
Isolatiebevestigingen
Spouwanker hulpstuk
Spouwankers
Transportankers
Transportankers
Hijsogen
Hijsstroppen
Tuinbeslag
Tuinbeslag
Anti klimbeugels
Anti klimstrippen
Tuinbeslag
Automotive
Automotive
Aanhangersysteem
Aanhangersysteem
Aanhanger aansluitingen
Koppelingen
Aanhangersysteem
Aanhangersysteem
Aanhanger aansluitingen
Koppelingen
Trailerdragers
Autostyling
Autostyling
Velgen
Elektra
Elektra
Accu's
Kabels
Oplaadapparaten
Snelstarters-acculaders
Snelstarters-acculaders
Verlichting
Zekeringen
Exterieur
Exterieur
Beschermdekens
Beschermhoezen
Interieur
Interieur
Beschermhoezen
Interieur-accessoires
Interieur
Interieur
Parkeerbenodigheden
Motordelen
Motordelen
Afdichtingen
Reinigingsgereedschappen
Reinigingsgereedschappen
Borstels
Sloten
Sloten
Voertuigsloten
Veiligheidsuitrusting
Veiligheidsuitrusting
Gevarendriehoeken
Sleepkabels, -stangen
Beveiliging
Beveiliging
Beveiliging elektronisch
Beveiliging elektronisch
Besturingen
Hand brandmelders
Hittemelders
Koolmonoxidemelders
Rookmelders
Sensoren
Brandbeveiliging
Brandbeveiliging
Afdichtingen, brandwerend
Brandblussers
Branddekens
Lockout / Tagout
Lockout / Tagout
Tags
Bevestigingsmaterialen
Bevestigingsmaterialen
Afdekkappen
Afdekkappen
Afdekkappen
Assortimenten
Assortimenten
Assortiment sets
Bedieningselementen
Bedieningselementen
Handgrepen
Kogelknoppen
Sterknoppen
Bevestigingssystemen
Bevestigingssystemen
Montagerails
Bouten
Bouten
Houtdraadbouten
Oogbouten
Slotbouten
Zeskantbouten
Zeskanttapbouten
Bouwverankering
Bouwverankering
Ankers
Keilbouten
Keilhulzen
Montagegereedschap
Schroefankers
Spanhulzen
Steigerbevestigingen
Bundelbanden
Bundelbanden
Bundelbanden
Bussen
Bussen
Spanbussen
Chemische verankering
Chemische verankering
Ankerstangen
Capsulesysteem
Injectiesysteem
Montagegereedschap
Montagegereedschap
Draadstangen
Draadstangen
Draadstangen
Klinksystemen
Klinksystemen
Blindklinkmoeren
Blindklinknagels
Krammen
Krammen
Golfkrammen
Magneten
Magneten
Magneten
Moeren
Moeren
Borgmoeren
Dopmoeren
Flensmoeren
Gleufmoeren
Inschroefmoeren
Inslagmoeren
Kartelmoeren
Lasmoeren
Oogmoer
Verbindingsmoeren
Vleugelmoeren
Zeskantmoeren
Montagebanden
Montagebanden
Montagebanden
Nagels
Nagels
Ankernagels
Bekistingnagels
Bootnagels
Bouwplaatnagels
Brads
Daknagels
Draadkrammen
Draadnagels
Duplexnagels
Gasbetonnagels
Gripankernagels
Klisjesnagels
Nagels op strip/band
Plintnagels
Regelnagels
Ribnagels
Schietnagels
Schroefnagels
Stalen nagels
T-nagels
Tochtstripnagels
Nieten
Nieten
Nieten
Pennen
Pennen
Borgpennen
Splitpennen
Pluggen
Pluggen
Gasbetonpluggen
Hollewandpluggen
Isolatieplaatpluggen
Kozijnpluggen
Nagelpluggen
Pluggen
Stelpluggen
Ringen
Ringen
Afdichtringen
Asborgringen
Borgringen
Carrosserieringen
Kraalringen
Pasringen
Seegerringen
Sluitringen
Sluitschelpen
Stelringen
Veerringen
Volgplaten
Zeilringen
Schroeven
Schroeven
Achterwandschroeven
Afstandschroeven
Anti-inbraakschroeven
Betonschroeven
Gasbetonschroeven
Glaslatschroeven
Houtbouwschroeven
Houtschroeven
HPL-plaatschroeven
Inserts
Kozijnschroeven
MDF schroeven
Metaalschroeven
Montageschroeven
Plaatschroeven
Schroeven zelfborend
Schroeven zelftappend
Snelbouwschroeven
Snelbouwschroeven op band
Snelbouwschroeven zelfborend
Spaanplaatschroeven
Spaanplaatschroeven op band
Stelschroeven
Vleugelschroeven
Vlonderschroeven
Sluitingen
Sluitingen
D-Sluitingen
Harpsluitingen
Knevelsluitingen
Spanrubbers
Spanrubbers
Spanrubbers
Spieën
Spieën
Inlegspieën
Tapes
Tapes
Afdichtingstapes
Afplaktapes
Belijningstapes
Beschermingstapes
Isolatietapes
Montagetapes
Reparatietapes
Tapehouders
Tapes anti-slip
Verpakkingstapes
Touw
Touw
Touw
Veren
Veren
Borgveren
Drukveren
Trekveren
Bouwbeslag
Bouwbeslag
Asbakken
Asbakken
Asbakken
Deurbeslag
Deurbeslag
Beldrukkers
Briefplaten
Brievenbusafdichtingen
Brievenbusbordjes
Deurbeslag brandvertragend
Deurbeslag, toebehoren
Deurduwers
Deurgarnituren
Deurgarnituren gatdeel
Deurkloppers
Deurknoppen
Deurkrukken
Deuropvangbeugels
Deurspionnen
Deurstoppers
Grepen
Huisnummers
Knopkrukken
Knopschilden
Kortschilden
Kruiskrukken
Langschilden
Overslagen
Rozetten
Schuifdeurkommen
Smalschilden
Stormkettingen
Symboolplaten
Deurnaalden
Deurnaalden
Deurnaald, toebehoren
Deurnaalden
Deurnaalden binnendeuren
Deurnaalden, brandwerend
Deurnaaldenonderdelen
Draaikiepbeslag
Draaikiepbeslag
Draaikiepbeslag
Garderobesystemen
Garderobesystemen
Garderobebuis beugels
Garderobebuis haken
Garderobebuis steunen
Garderobegarnituren
Garderobeprofielen
Garderobesystemen
Hoed- en jashaken
Jashaakrekken
Jashaken
Kapstok
Kastroede
Kastroedesteunen
Kledinghangers
Wandgarderobe
Haken
Haken
Haken
Handdoekhaken
Handdoekrekjes
Plafondhaken
Insectenwering
Insectenwering
Horren
Kistgrepen
Kistgrepen
Kistgrepen
Leuninghouders
Leuninghouders
Leuninghouders
Luikbeslag
Luikbeslag
Luikringen
Postkasten
Postkasten
Postkasten
Raambeslag
Raambeslag
Bovenraambeslag
Raambeslag, toebehoren
Raamknippen
Raamkrukken
Raamkrukken afsluitbaar
Raamkrukken afsluitbaar SKG**
Raamlichters
Raampennen
Raamscharen
Raamsloten opleg
Raamsloten opleg SKG*
Raamsloten opleg SKG**
Raamsluitingen
Raamsluitingen afsluitbaar
Raamsluitingen afsluitbaar SKG*
Raamuitzetters
Raamuitzetters SKG**
Stokhaken
Valijzers
Rolluikbeslag
Rolluikbeslag
Rolluikbeslag, toebehoren
Schuifdeurbeslag
Schuifdeurbeslag
Afdekkappen
Hefschuifdeurbeslag
Schuifdeurbeslag zelfsluitend
Schuifdeurgarnituren
Schuifdeurrail, toebehoren
Schuifdeurrails
Veiligheidsbeslag
Veiligheidsbeslag
Veiligheids garnituren SKG**
Veiligheids garnituren SKG***
Veiligheids kortschilden SKG***
Veiligheids langschilden
Veiligheids langschilden SKG**
Veiligheids langschilden SKG***
Veiligheids rozetten SKG**
Veiligheids rozetten SKG***
Veiligheids smalschilden SKG**
Veiligheids smalschilden SKG***
Veiligheidsbeslag, toebehoren
Vouwdeurbeslag
Vouwdeurbeslag
Vouwdeurgarnituren
Zorgbeslag
Zorgbeslag
Grepen
Zorgproducten junior
Zorgproducten senior
Bouwproducten
Bouwproducten
Afdekmaterialen
Afdekmaterialen
Afdeknet
Afdekvlies
Beschermmaterialen
Afdichtingsbanden
Afdichtingsbanden
Celrubber
Compressiebanden
Dichtingsbanden
Rugvullingsmaterialen
Schuimband
Afvalzakken
Afvalzakken
Afvalzakken
Dakbedekkingen
Dakbedekkingen
Dakbedekkingen bovenlagen
Dakbedekkingen onderlagen
Dakdoorvoeren
Dakdoorvoeren
Dakdoorvoeren
Folies
Folies
Beschermfolies
Bouwfolies
Folie, toebehoren
Isolatiematerialen
Isolatiematerialen
Isolatiematerialen
Lood
Lood
Bladlood
Bladloodvervangers
Luiken
Luiken
Vloerluiken
Matranden
Matranden
Matranden
Plaatmateriaal
Plaatmateriaal
Fineerband
Ramen
Ramen
Dakraam-accessoires
Tuimeldakraam
Reparatiemiddelen
Reparatiemiddelen
Reparatiespecie
Rookgasafvoermateriaal
Rookgasafvoermateriaal
Boldraadroosters
Snelbouwsystemen
Snelbouwsystemen
Plafondsystemen
Species
Species
Afwerkmortels
Betonmortels
Metselspecies
Stucmortel
Voegspecies
Tuinproducten
Tuinproducten
Folies
Vlonders
Ventilatie
Ventilatie
Aansluitbussen
Bolroosters
Buitenroosters
Dakvoet ventilatie
Deurroosters
Muurroosters
Overdrukroosters
Plintroosters
Schoepenroosters
Schuifroosters
Ventielroosters
Ventilatiebuis
Ventilatiebuis, toebehoren
Ventilatieroosters
Ventilatierozetten
Ventilatiesets
Ventilatiestrippen
Vloer-gevelventilatie
Vloerroosters
Vloerroosters
Vloerroosters
Chemie
Chemie
Anti-vocht
Anti-vocht
Schimmelvreters
Vochtverdringers
Vochtvreters
Waterdichting
Autolakken
Autolakken
Primers
Primers aerosol
Chemische producten
Chemische producten
Absorptiemiddelen
Afbijtmiddelen
Afdichtmiddelen
Afstrijkmiddelen
Beschermingsmiddelen
Borgmiddelen
Brandstoffen
Brandwerende producten
Gascilinders
Luchtverfrissers
Onderhoudsmiddelen
Onderzoeksmiddelen
Ontvetters
Oplosmiddelen
Reinigingsmiddel, toebehoren
Reinigingsmiddelen
Verdunners
Voorbehandelingsmiddelen
Dakcoatings
Dakcoatings
Dakcoatings
Dakgootreparatiemiddelen
Dakreparatiemiddelen
Kitten
Kitten
Acrylaatkitten
Afdichtingskitten
Beglazingskitten
Bitumenkitten
Butyleenkitten
Kit, toebehoren
Kitten brandvertragend
Kitten vuurvast
Lijmkitten
Primers
Siliconenkitten
Voegenkitten
Lijmen
Lijmen
Constructielijmen
Contactlijmen
Daklijmen
Hobbylijmen
Houtlijmen
Lijm, toebehoren
Lijmen 2-componenten
Lijmen speciaal
Lijmpatronen
Montagekitten
PVC lijmen
Secondelijmen
Steenlijmen
Tegellijmen
Vloerbedekkingslijmen
Vloerproducten
Wandbekledingslijmen
Onderhoudsmiddelen
Onderhoudsmiddelen
Coatings
Onderhoudspray
Schoen onderhoudsmiddelen
Vloeistoffen
Pasta's
Pasta's
Afdichtpasta's
Koperpasta's
Montagepasta's
Slijppasta's
Smeerpasta's
Snijpasta's
Stoppasta's
Vulpasta's
PU-schuimen
PU-schuimen
PU-schuim, toebehoren
PU-schuimen
Reinigers
Reiniging
Reiniging
Reinigingsmiddelen
Reparatiemiddelen
Reparatiemiddelen
Plamuren en vulmiddelen
Plamuur en vulmiddelen, toebehoren
Reparatiecompound
Scheepscoatings
Scheepscoatings
Lakverven
Smeermiddelen
Smeermiddelen
Oliën
Smeer- afdichtmiddelen
Smeermiddelen
Smeerpoeders
Smeerspray
Vetten
Verf
Verf
Beitsen
Betonverven
Deklagen
Eén Pot systeem
Gevelverf
Grondlagen
Grondverven
Grondverven aerosol
Lakverven
Lakverven aerosol
Lakverven, effect
Markeringsverven
Muurverven
Oliën
Verf hulpmiddelen
Vloerverven
Waterdichting
Draadmaterialen
Draadmaterialen
Bewapeningsstaal
Bewapeningsstaal
Bewapeningsstaal
Bewapeningsstaal, toebehoren
Draad
Draad
Binddraad, ijzerdraad
Lasdraad
Puntdraad
Draadspanners
Draadspanners
Draadspanners
Gaas
Gaas
Gaas gelast
Gaas gepuntlast
Gaas geweven
Panelen
Vlechtwerk
Vliegengaas
IJzerdraad
IJzerdraad
IJzerdraad hard
IJzerdraad zacht
Laselektroden
Laselektroden
Laselektroden
Staaldraad
Staaldraad
Staaldraadkabel
Elektra
Elektra
Aardingsmaterialen
Aardingsmaterialen
Aardklemmen
Accu's
Accu's
Accu's
Adereindhulzen
Adereindhulzen
Adereindhuls
Armaturen
Armaturen
Armaturen toebehoren
Armaturen
Armaturen
Armaturen toebehoren
Batterijen
Batterijen
Batterijen
Batterijen oplaadbaar
Batterijladers
Knoopcellen
Beschermslangen
Beschermslangen
Kabelbruggen
Beveiligingen elektrische circuits
Beveiligingen elektrische circuits
Smeltveiligheden
Bouwaansluitkasten
Bouwaansluitkasten
Meterkasten
Buisbevestigingssystemen
Buisbevestigingssystemen
Buisclips
Communicatieapparatuur
Communicatieapparatuur
Externe communicatieapparatuur
Telefoons
Connectoren
Connectoren
Connectoren
RJ-connectoren
Contactmaterialen
Contactmaterialen
Contactmaterialen
Contactmaterialen CEE-Norm
Verloopstekkers schuko®/CEE-Norm
Domotica
Domotica
Domotica, toebehoren
Inbouwdozen
Inbouwdozen
Buisinvoerstukken
Centraaldozen
Inbouwdozen
Installatiebuizen
Installatiebuizen
Hulpstukken
Hulpstukken
Installatiebuizen
Installatiematerialen
Installatiematerialen
Montagemateriaal
Isolatie- bescherming
Isolatie- bescherming
Gietharsen
Isolatiematten
Isolatietules
Kabel
Kabel
Aansluitleidingen
Aansluitsnoeren
Installatiedraden
Kabelmarkering
Kabelmoffen
Montagedraden
Rubberkabels
USB kabels
Verlengkabels
Verlengkabels CEE-Norm
Verloopkabels schuko®/CEE-Norm
Verwarmingskabels
Warmtekrimpkousen
Kabelbevestigingsmaterialen
Kabelbevestigingsmaterialen
Kabelbeugels
Zadels
Kabelhaspels
Kabelhaspels
Kabelhaspels
Veerkabelhaspels
Kabelmanagementsystemen
Kabelmanagementsystemen
Kabelgoten
Kabelschoenen
Kabelschoenen
Perskabelschoenen geïsoleerd
Kabelwartels
Kabelwartels
Kabelwartels
Kroonklemmen
Kroonklemmen
Kroonklemmen
Lasdoppen
Lasdoppen
Lasdoppen
Lasdozen
Lasdozen
Kabeldoosdeksels
Kabeldozen
Lasdozen
Radio tv Audio
Radio tv Audio
Audio
Schakelmateriaal
Schakelmateriaal
Bewegingsmelders
Contactstoppen
Dimmers
Schakelaars
Schakelmateriaal inbouw
Schakelmateriaal opbouw
Schakelmateriaal spatwaterdicht opbouw
Schakelmateriaal, toebehoren
Tijdschakelaars
Transformatoren
Transformatoren
Transformatoren
Verdeelblokken
Verdeelblokken
CEE verdeelblokken
Hangcontactblok
Verdeelblokken
Verdeelkasten
Verdeelkasten
Verdeelkasten
Verlichting
Verlichting
Binnenverlichting
Buitenverlichting
Gasontladingslampen
Gloeilampen
Halogeenlampen
Handlampen
Hoofdlampen
Lampen, toebehoren
LED lampen
Lichtmast
Lichtsnoeren
Looplamp
PL fluorescentielampen
Schijnwerpers
Spaarlampen
TL armaturen
TL fluorescentielampen
TL LED lampen
TL starters
Werklampen
Zaklampen
Verwarmingsapparatuur
Verwarmingsapparatuur
Verwarmingsapparatuur
Voedingen
Voedingen
Netvoeding
Omvormers
Opladers voor elektrische voertuigen
Handgereedschappen
Handgereedschappen
Accugereedschappen
Accugereedschappen
Accugereedschappen
Aftekengereedschappen
Aftekengereedschappen
Afschrijflinialen
Centerpunten
Centreerhaken
Correctiemiddelen
Flenshaken
Kalklijnproducten
Kraspennen
Krijt
Maatlatten
Markeren
Passers
Pennen
Potloden
Schrijfblokken
Schrijfhaken
Stiften
Verstekhaken
Whiteboard artikelen
Winkelhaken
Zwaaihaken
Automotive gereedschappen
Automotive gereedschappen
Automotive gereedschappen diverse
Brandstofsysteem gereedschappen
Carrosseriegereedschappen
Demontagegereedschappen
Hoonapparaten
Inspectiegereedschappen
Portiergereedschappen
Remsysteemgereedschappen
Bankschroeven
Bankschroeven
Bankschroef, toebehoren
Bankschroeven
Draaiplaten
Hoogteverstellers
Machineklemmen
Opzetbekken
Slijpklemmen
Tafelklemmen
Behanggereedschappen
Behanggereedschappen
Behanggereedschappen
Beitels
Beitels
Koudbeitels
Sloopbeitels
Bits
Bits
Bit, toebehoren
Bits
Bitsets
Blindklinktangen
Blindklinktangen
Blindklinknageltang, toebehoren
Blindklinktangen
Carrosserie-gereedschappen
Carrosserie-gereedschappen
Uitdeukgereedschappen
Demagnetiseringsapparaten
Demagnetiseringsapparaten
Demagnetiseringsapparaten
Demontagegereedschappen
Demontagegereedschappen
Bandenlichters
Bandsleutels
Bout,- moerverwijderaars
Kabelex
Moerensplijters
O-ring (de)montagegereedschap
Tapeinduithalers
Trekkers
Zekeringtrekkers
Deurklemmen
Deurklemmen
Deurklemmen
Dopsleutelgereedschappen
Dopsleutelgereedschappen
Bougiesleutels
Dopsleutel, toebehoren
Dopsleutelonderdelen
Dopsleutels
Dopsleutelsets
Ratels
Slagdopsleutels
Slagdopsleutels, toebehoren
Slagdopsleutelssets
Draadborstels
Draadborstels
Staaldraadborstels
Drijvers
Drijvers
Doorslagen
Pendrijvers
Gereedschapssets
Gereedschapssets
Gereedschapssets
Grijpgereedschappen
Grijpgereedschappen
Grijpgereedschappen
Magneetzoekers
HACCP Hygiënische reinigingsgereedschappen
HACCP Hygiënische reinigingsgereedschappen
Bezems
Blikken
Emmers en deksels
Nagelborstels
Stelen
Hamers
Hamers
Bankhamers
Bekistinghamers
Combinatiehamers
Elektriciënshamer
Hamer terugslagvrij
Hamerkoppen
Hamers, hout
Hamers, koper
Hamers, leer
Hamers, rubber
Ketelsteenbikhamers
Klauwhamers
Kloofhamers
Kloppers
Koperhamers
Kunststofhamers
Lasbikhamers
Lathamers
Loodgietershamers
Metselaarshamers
Mokers
Nylonhamers
Pen-, bolbankhamers
Steigerhamers
Stratenmakershamers
Tegelzettershamers
Timmermanshamers
Voorhamers
Holpijpen
Holpijpen
Holpijpen
Houtbewerkingsgereedschappen
Houtbewerkingsgereedschappen
Beitels
Gutsen
Hechten
Schaven
Verzinkboren
Kabeltrekkers
Kabeltrekkers
Kabeltrekkers
Trekveren
Kitgereedschappen
Kitgereedschappen
Doseerapparaten
Kitpistolen
Kitstrijkers
Klemgereedschappen
Klemgereedschappen
Klemtangen
Lijmtangen
Spanklemmen
Lijmgereedschappen
Lijmgereedschappen
Lijmkammen
Lijmmessen
Lijmrollers
Lijmverdelers
Loepen
Loepen
Precisieloepen
Machinesleutels
Machinesleutels
Carterplugsleutels
Draaistiften
Haaksleutels
Knie- steeksleutels
Kniesleutels
Kruissleutels
Magneetsleutels
Moersleutels verstelbaar
Opsteeksleutels
Pengatsleutels
Pijpsleutels
Pijpsleutelsets
Ring- ratelsleutelsets
Ring- steeksleutels
Ring- steeksleutelsets
Ringsleutels
Ringsleutels open
Ringsleutels plat
Ringsleutelsets
Schakelkastsleutels
Slagsleutels
Soksleutels
Soksleutelsets
Starter en bloksleutels
Steeksleutels
Steeksleutelsets
Stiftsleutels
Stiftsleutelsets
Ventielsleutels
Magneten
Magneten
Magneten
Meetgereedschappen
Meetgereedschappen
Afstandmeters
Afstandsmeter, toebehoren
Detectors
Dieptemeters
Diktemeters
Drukmeters
Duimstokken
Geluidsmeters
Gradenbogen
Hardheidsmeters
Hoekmaten
Hoekmeters
Inspectiegereedschappen
Kruishouten
Landmetermaten
Laskalibers
Linialen
Luchtstroommeters
Meetgereedschappen, toebehoren
Meetklokken
Meetlatten
Meetlinten
Meetstandaards
Meetstokken telescopisch
Meetwielen
Micrometer, toebehoren
Multimeters
Nivelleerlatten
Oppervlakteruwheidsmeters
Radiusmeter
Rolbandmaten
Schietlood
Schroefdraadmeters
Schroefmaten
Schuifmaten
Spanning detectie
Sproeiermeters
Straalkalibers
Stroomkring/component testers
Stroomtangen
Tasters
Temperatuurmeters
Thermo/hygrometer
Vochtigheidsmeters
Voelermaten- banden
Waterpassen
Messen
Messen
Messen
Metselgereedschappen
Metselgereedschappen
Bekistingschrapers
Betonschrapers
Betonverdelers
Bouwemmers
Gevelklemmen
Kantenstrijkers
Metselprofielen
Paleerijzers
Sabels
Schoonmaakborden
Schragen
Speciekuipen
Stempels
Voegborden
Voegspijkers
Momentgereedschappen
Momentgereedschappen
Meetklokken
Momentgereedschap, toebehoren
Momentschroevendraaiers
Momentsleutel insteekgereedschappen
Momentsleutels
Test-/kalibreergereedschappen
Montagegereedschappen
Montagegereedschappen
Gereedschap elektro
Laminaat leggereedschappen
Multifunctioneel gereedschap
Pijpenbuigers
Pijpenbuigers
Buigtangen
Buigveren
Plooi - ijzers
Plooi - ijzers
Plooi - ijzers
Ponsen
Ponsen
Gatenponsen
Gatenponssets
Reinigingsgereedschappen
Reinigingsgereedschappen
Afwasartikelen
Autowas producten
Bezems
Blikken
Borstels
Dweilen
Emmers
Glasbewassing
Glasreinigers
Handdoeken, papier
Hogedrukreiniger, toebehoren
Leidingenreiniging
Leidingreinigingsveren
Moppen
Onderzoekstafelrollen
Opraapgereedschap
Poetsdoeken
Poetslappen
Poetspapier
Poetspapier dispensers
Putscheppen
Raagbollen
Raamwissers
Schrapers
Schrobbers
Schuurlappen
Schuurpadhouders
Sponsen
Steel, toebehoren
Stelen
Stoffers
Stofwissers
Trekkers
Vegers
Werkdoeken
Zemen
Ruimers
Ruimers
Boutenscharen
Sanitairgereedschappen
Sanitairgereedschappen
Montagegereedschappen
Radiatorsleutels
Ruimers
Scharen
Scharen
Allesknippers
Betonvlechtijzer-scharen
Blikscharen
Boutenscharen
Buisscharen
Combischaren
Hamerstelen
Kabelscharen
Knabbelscharen
Latoenscharen
Scharen
Universeelscharen
Verstekscharen
Schildersgereedschappen
Schildersgereedschappen
Afsteekmessen
Beugels
Glasreinigers
Kwasten
Penselen
Plamuurmessen
Plamuurrubbers
Roller, toebehoren
Ruitenlichters
Schildersstoffers
Spatels
Stopmessen
Verfhulpmiddelen
Verfrollers
Verfschrapers
Zuigheffers
Schroevendraaiers
Schroevendraaiers
Bitschroevendraaiers
Flexibele schroevendraaiers
Haakschroevendraaiers
Klemschroevendraaiers
Microschroevendraaiers
Microschroevendraaiersets
Priemen
Schroevendraaiers
Schroevendraaiers met verwisselbare kling
Schroevendraaiersets
Slagschroevendraaiers
Slagschroevendraaiersets
Sokschroevendraaiers
Sokschroevendraaiersets
Spanningzoekers
Stubby schroevendraaiers
T-schroevendraaiers
Trimschroevendraaiersets
Schuimpistolen
Schuimpistolen
Schuimpistolen
Slijpmiddelen
Slijpmiddelen
Aanzetstalen
Handslijpstenen
Kleppenslijper
Slijpsteenscherpers
Wetstenen
Smeergereedschappen
Smeergereedschappen
Jerrycan, toebehoren
Jerrycans
Maatbekers
Oliekan, toebehoren
Oliekannen
Oliespuiten
Opvangbakken
Schenkkannen
Spuitflessen
Trechters
Vatpompen
Vetspuit, toebehoren
Vetspuiten
Snijgereedschappen
Snijgereedschappen
Glas- en tegelsnijder, toebehoren
Glassnijders
Messen
Pijpsnijders
Soldeergereedschappen
Soldeergereedschappen
Gasbrander, toebehoren
Gasbranders
Soldeerbouten
Soldeerbouthouders
Soldeerhulpmiddelen
Spangereedschappen
Spangereedschappen
Boorklemmen
Conusreinigers
Conusuitdrijvers
Moeren
Opspangereedschappen
Snelwisselhouders
Spantangen
Spantanghouders
Tapverlengstukken
Wringijzers
Spiegels
Spiegels
Spiegel
Stelen
Stelen
Hamerstelen
Klauwhamerstelen
Mokerstelen
Statenmakershamerstelen
Voorhamerstelen
Wiggen/spieën
Stoffeerdersgereedschappen
Stoffeerdersgereedschappen
Vloergereedschappen
Stratenmakersgereedschap
Stratenmakersgereedschap
Egalisatieschuivers
Klinkertrekkers
Putdekselhaken
Trottoirbandtangen
Stukadoorsgereedschap
Stukadoorsgereedschap
Betonschaven
Schuurborden
Spackmessen
Spanen
Tegelzettersgereedschap
Voegrubbers
Tangen
Tangen
Aderhulstangen
Bedradingstangen
Borgveertangen
Boutensnijtangen
Buigtangen
Combinatietangen
Connectortangen
Draadkniptangen
Draadtangen
Elektronicatangen
Grijptangen
Griptangen
Kabelbundelbandtangen
Kabelklemtangen
Kabelkniptangen
Kabelsnijtangen
Klepdichtring-tangen
Kopkniptangen
Krimptangen
Langbektangen
Mechanicatangen
Moerentangen
Moniertangen
Montagetangen
Multifunctionele tangen
Nijptangen
Ontmantelingsgereedschappen
Pijpentangen
Pincetten
Platbektangen
Platbuigtangen
Ponstangen
Punttangen
Radiotangen
Rektuletangen
Remveertangen
Revolvertangen
Rondbuigtangen
Slangklemtangen
Sleuteltangen
Smeedtangen
Spanbandtangen
Spijkertrekkers
Striptangen
Tangensets
Tangonderdelen
Tegelkniptangen
Telefoontangen
Verbindingstangen
Voorsnijtangen
Wastafelmoertangen
Waterpomptangen
Zeilring- ogentangen
Zijsnijtangen
Zuigerveertangen
Tegelzettersgereedschap
Tegelzettersgereedschap
Tegelzettersgereedschap
Testgereedschappen
Testgereedschappen
Testgereedschappen, toebehoren
Vijlen
Vijlen
Blokvijlen
Draadvijlen
Kettingzaagvijlen
Molenzaagvijlen
Naaldvijlen
Platspitsvijlen
Raspen
Sleutelvijlen
Vijl, toebehoren
Vijlen driekant
Vijlen halfrond
Vijlen rond
Vijlen vierkant
Vijlensets
Zaagvijlen
Vonkvrije gereedschappen
Vonkvrije gereedschappen
Beitels vonkvrij
Dopsleutel, toebehoren vonkvrij
Pincetten vonkvrij
Zagen
Zagen
Draadzagen
Handzaagbladen
Handzagen
Verstekbakken
Zaagbeugels
Hang- en Sluitwerk
Hang- en Sluitwerk
Cilinders
Cilinders
Automatencilinders
Cilinders
Cilinders elektronisch
Demontagegereedschappen
Postkastcilinders
Veiligheidscilinders SKG**
Veiligheidscilinders SKG***
Hangsloten
Hangsloten
Discussloten
Hangsloten cilinder
Hangsloten klavier
Hangsloten met cijfer
Ketting- Kabelsloten
Ketting- Kabelsloten
Kabelsloten
Kettingsloten
Kluizen
Kluizen
Afstortkluizen
Geldkisten
Kluizen
Reissafe's
Sleutelkasten/-kluizen
Scharnieren
Scharnieren
Deurdrangerscharnieren
Deurveerscharnieren
Dievenklauwen
Duimen
Hengen
Inboorpaumelles
Kogellagerscharnieren
Kogellagerscharnieren SKG**
Kogellagerscharnieren SKG***
Kogelstiftpaumelles
Kogelstiftpaumelles SKG**
Kogelstiftpaumelles SKG***
Meubelscharnieren
Meubelscharnieren zonder veer
Meubelscharnieren, toebehoren
Nylon lagerscharnieren
Nylon lagerscharnieren SKG***
Paumelles
Paumelles gerold
Pianoscharnieren, RVS
Projectscharnieren
Salondeurscharnieren
Scharnierbeveiliging
Scharnieren
Scharnieren onzichtbaar
Scharnieren SKG**
Scharnieren SKG***
Scharnieren smal
Scharnieronderdelen
Schijflagerscharnier
Schijflagerscharnier SKG ***
Venelite scharnieren
Venelite scharnieren SKG**
Venelite scharnieren SKG***
Sloten
Sloten
Bijzetsloten SKG*
Bijzetsloten SKG**
Cilinder insteek smaldeursloten
Cilinder insteek smaldeursloten SKG**
Cilinder insteeksloten
Cilinder insteeksloten SKG*
Cilinder insteeksloten SKG**
Codesloten
Deuropeners elektrisch
Deursloten elektrisch, toebehoren
Espagnoletsloten
Garagedeursloten
Insteekslot, toebehoren
Insteeksloten
Klavier insteeksloten
Knopsloten
Meerpuntsluitingen
Meerpuntsluitingen SKG**
Meerpuntsluitingen SKG***
Meubelsloten
Opleg bijzetsloten SKG*
Opleg bijzetsloten SKG**
Oplegsloten
Oplegsloten SKG**
Sleutels
Sleuteltoebehoren
Slot sets
Sloten, brandwerend
Sluit- voorplaten
Sluitkommen
Sluitkommen SKG*
Sluitkommen SKG**
Sluitkommen SKG***
Sluitplaten
Smaldeursloten
Sluitwerk
Sluitwerk
Anti-paniekbeslag
Deurdranger armen
Deurdranger, toebehoren
Deurdrangers
Deurkettingen
Deurmagneten
Deurscharen
Deursluiters
Deurvastzetters
Espagnolet, toebehoren
Espagnoletbeveiligers
Espagnoletten
Espagnoletten SKG**
Grendels
Heksluiters
Insteekgrendels
Kierstandhouder SKG
Kierstandhouders
Klinkstellen
Luiksluitingen
Openingsbegrenzers
Overvallen
Paniekopener, toebehoren
Panieksluitingen
Schuiven
Sluitingen
Snapsluitingen
Vloerveer, toebehoren
Vloerveren
Toegangscontrolesystemen
Toegangscontrolesystemen
Toegangscontrolesystemen, toebehoren
Huishoudelijk
Huishoudelijk
Afvalverzameling
Afvalverzameling
Afvalbakken
Afvalbakken vast
Afvalbakken verrijdbaar
Afvalemmers
Afvalverzamelaars
Afvalzakken
Asbakken
Draagringen
Papierbakken
Papierbakken, brandwerend
Drogen
Drogen
Droog hulpmiddelen
Drooglijnen
Keetartikelen
Keetartikelen
Dranken
Eten
Koffie, toebehoren
Schoonmaakartikelen
Snacks
Waterkoelers
Zoetwaren
Ongedierte bestrijding
Ongedierte bestrijding
Dierenvallen
Instectenlampen
Persoonlijke verzorging
Persoonlijke verzorging
Persoonlijke verzorging
Toiletpapier
Reiniging
Reiniging
Matten
Reinigingsmiddelen
Schoonmaakartikelen
Tijdsmeting
Tijdsmeting
Klokken
Stopwatches
Transportmiddelen
Transportmiddelen
Fiets, toebehoren
Wassen
Wassen
Wasmachine/droger, toebehoren
IJzerwaren
IJzerwaren
Dragers
Dragers
Dragers
Kastplankdragers
IJzerwaren
IJzerwaren
Aanlegringen
Beugels
Bledschroeven
Haken
Koordhouders
Krulhaken
Musketonhaken
Ogen
Oog op plaat
Ophangogen
Ringen
Schroefduimen
Schroefhaken
Schroefogen
Spiegelbevestigingen
Stokeinden
Windhaken
Kabels
Kabels
Kabelklemmen
Kabeltoebehoren
Spanschroeven
Kettingen
Kettingen
Ketting, toebehoren
Kettingen gekleurd
Kettingen op rol
S-haken
Scheepskettingen
Sierkettingen
Victorkettingen
Voetkettingen
Wandrailsystemen
Wandrailsystemen
Wandrails
Wandrailsysteem, toebehoren
Infrastructuur
Infrastructuur
Straatmeubilair
Straatmeubilair
Asbakken
Stoepbord
Verkeersborden
Verkeersborden
Verkeersborden
Verkeersbordklemmen
Verkeersbordklemmen
Hekbeugels
Verkeersbordbeugels
Verkeersborden
Vloerplaten
Vloerplaten
Vloerplaten
Installatietechniek
Installatietechniek
Afdichting
Afdichting
Afdichtingen
Afsluiters
Afsluiters
Aftapkranen
Aftappen
Beluchterskranen
Stopkranen
Binnenriolering
Binnenriolering
Binnenrioleringonderdelen
Buisklemmen
Buisklemmen
Buis installatieklemmen
Stalenbuisklemmen zonder inlage
Buizen
Buizen
Buis, toebehoren
Closetsokken
Closetsokken
Closetsokken
Drukleidingsystemen
Drukleidingsystemen
Drukleidingsystemen, PE
Drukleidingsystemen, PP
Filters
Filters
Waterfilter
Fittingen
Fittingen
Afdichtstoppen
Eindkappen
Kniekoppelingen
Koppelingen
Lasbochten
Nippels
Pijpnippels
Sokken
Verloopnippels
Verloopringen
Fittingen malleabel
Fittingen malleabel
Bochten
Knieën
Koppelingen
Kruisstukken
Nippels
Pluggen
Sokken
Soknippels
T-stukken
Verloopnippels
Verloopsokken
Hemelwaterafvoer
Hemelwaterafvoer
Hemelwaterafvoer
Hemelwaterafvoeronderdelen
Klembanden
Klembanden
Klembanden
Klemplaten
Klimaatbeheersing
Klimaatbeheersing
Klimaatbeheersings gereedschap
Knelkoppelingen
Knelkoppelingen
Eindkoppelingen
Knelringen
Kniekoppelingen
Koppelingen
Muurplaten kiwa
Overschuifkoppelingen
Puntstukken
Schroefbussen
Slangpilaren
T-stukken
Verloopkoppelingen
Y-koppelingen
Kogelkranen
Kogelkranen
Kogelkranen
Kogelkranen gas
Kogelkranen volle doorlaat
Koppelingen
Koppelingen
Brandweerkoppelingen
Koppeling, toebehoren
Koppelingen voor PE-water
Persluchtkoppelingen
Snelkoppelingen
Veiligheidskoppelingen
Kranen
Kranen
Badkamer/keuken kranen
Vlotterkranen
Leidingklemmen
Leidingklemmen
Clips
Leidingklemmen
Leidingmanagementsystemen
Leidingmanagementsystemen
Leidinggoten
Leidingwatertransport
Leidingwatertransport
Waterleidingbuizen
Luchtsnelkoppelingen
Luchtsnelkoppelingen
Drukluchtkoppelingen
Meters
Meters
Manometers
Oorklemmen
Oorklemmen
Oorklemmen
Perskoppelingen
Perskoppelingen
Insteekkoppelingen
Kniekoppelingen
T-koppelingen
Perslucht, toebehoren
Perslucht, toebehoren
Perslucht koppelingen
Persluchtsystemen
Persluchtsystemen
Persluchtleidingen
Reduceerventielen
Reduceerventielen
Drukreduceerventielen
Slangen
Slangen
Gasslangen
Persluchtslangen
Persslangen
PVC slangen
Spiraalslangen
Ventilatieslangen
Waterslangen
Zuig persslangen
Slangklemmen
Slangklemmen
Slangklem assortimenten
Slangklemmen
Slangkoppelingen
Slangkoppelingen
Kraanaansluitingen
Reparatiekoppelingen
Snelkoppelingen
Slangopbergsystemen
Slangopbergsystemen
Slangenhouders
Slangenwagens
Slangstukken
Slangstukken
3-wegstukken
Kraanstukken
Slangkoppelingen
Slangstukken
Slangverbinders
T-stukken
Waterdieven
Waterstoppen
Slangtules
Slangtules
Slangtules
Snelkoppelingen
Snelkoppelingen
Snelkoppelingen
Soldeerfittingen
Soldeerfittingen
Kappen
Knieën
Koppelingen
Muurplaatbeugels
Muurplaten
Ringen
T-stukken
Verloopsokken
Sproeiers
Sproeiers
Sproeiers
Spuitlansen
Spuitlansen
Spuitlansen
Spuitpistolen
Spuitpistolen
Spuitpistolen
Straalpijpen
Straalpijpen
Straalpijpen
Terugslagkleppen
Terugslagkleppen
Terugslagkleppen
Thermometers
Thermometers
Thermometers
Tijdelijke voorzieningen
Tijdelijke voorzieningen
Tijdelijke watervoorziening
Verwarming
Verwarming
Radiator, toebehoren
Radiatoren
Voetkleppen
Voetkleppen
Voetkleppen
Kantoorartikelen
Kantoorartikelen
Aftekengereedschappen
Aftekengereedschappen
Whiteboard artikelen
Bureau-accessoires
Bureau-accessoires
Schrijfmateriaal
Computersupplies en -accessoires
Computersupplies en -accessoires
Computersupplies en -accessoires
ICT en machines
ICT en machines
Diverse kantoormachines
Geheugenopslag
Inbinden en Lamineren
Kantoormachines
Labelprinters en tapes
Rekenmachines
Snijden en Vernietigen
Inkt en Toner
Inkt en Toner
Inktjet Cartridges
Linten
Toner Cartridges
Kantoor en opbergen
Kantoor en opbergen
Archivering
Diverse
Etiketen/Labels
Interieurs
Kaartsystemen
Kantoorbenodigdheden
Mappen
Ordners en ringbanden
Planning en Agenda's
Presenteren
Kantoormachines
Kantoormachines
Kantoormachines
Papier en verzenden
Papier en verzenden
Diverse Papierwaren
Enveloppen
Etiketten
Printpapier
Rollen papier
Schrijf- en notitieblokken
Stempels en Postkamer
Verpakkingsmaterialen
Presentatiemiddelen
Presentatiemiddelen
Magneten
Presenteren
Schrijven en Hobby
Schrijven en Hobby
Corrigeren
Hobbyartikelen
Luxe Schrijfwaren
Schrijfwaren
Viltstiften
Kantoorartikelen
Kantoorartikelen
Bureau-accessoires
Bureau-accessoires
Documentverwerking
Opbergsystemen
Schrijfmateriaal
Kantoormachines
Kantoormachines
Kantoormachines
Kantoorinrichting
Kantoorinrichting
Meubilair
Meubilair
Bureau's
Bureauonderdelen
Kasten
Krukken
Ordnerzuilen
Stoelen
Stoelonderdelen
Tafelonderdelen
Tafels
Voetensteunen
Presentatiemiddelen
Presentatiemiddelen
Informatiewandsysteem
Keuken artikelen
Keuken artikelen
Keukengereedschappen
Keukengereedschappen
Bestek
Broodtrommels
Keukengerei
Keukenhulpen
Opdienen
Servetten, papier
Servies
Snijgereedschappen
Zakjes
Keukenmachines
Keukenmachines
Afkoelen
Koffiefilters
Opwarmen
Reinigen
Kleding & PBM
Kleding & PBM
Ademhalingsbescherming
Ademhalingsbescherming
Aanblaassystemen draagbaar
Aanblaassystemen stationair
Aanblaassystemen, toebehoren
Gelaatmasker filters
Halfgelaatsmaskers
Stofmaskers
Vluchtmaskers
Volgelaatsmaskers
Disposables
Disposables
Handbescherming wegwerp
Hoofdbescherming wegwerp
Kleding wegwerp
Voetbescherming wegwerp
EHBO
EHBO
Beademingsprodukten
Brancards
Defibrillatoren
EHBO-gereedschappen
Medicatie
Ontsmetting
Oogspoelflessen
Reddingsdekens
Verbandmiddelen
Verbandtrommels
Gehoorbescherming
Gehoorbescherming
Oorkap, toebehoren
Oorkappen
Oorplugdispensers
Oorpluggen
Otoplastieken
Gelaats,- en gehoorbescherming
Gelaats,- en gehoorbescherming
Vizier met oorkappen
Gelaatsbescherming
Gelaatsbescherming
Gelaatsscherm, toebehoren
Gelaatsschermen
Gelaatsschermonderdelen
Handbescherming
Handbescherming
Handschoenen
Handschoenen chemisch bestendig
Handschoenen koudewerend
Handschoenen, mechanische bescherming
Lashandschoenen
Werkhandschoenen
Hoofdbescherming
Hoofdbescherming
Caps
Hoofddoeken
Mutsen
Petten
Stootpetten
Veiligheidshelm, toebehoren
Veiligheidshelmen
Huidbescherming
Huidbescherming
Huidcrème
Huidreiniging
Huidverzorging
UV-crème
Lasbescherming
Lasbescherming
Lashelmen
Lasmaskers
Lasruiten
Lasschilden
Spatruiten
Lichaamsdelenbescherming
Lichaamsdelenbescherming
Kniebeschermers
Nekbeschermers
Oogbescherming
Oogbescherming
Beschermbrillen
Bezoekersbrillen
Bril, toebehoren
Lasbrillen
Laserbrillen
Stofbrillen
Veiligheidsbrillen
PBM veiligheidsboxen
PBM veiligheidsboxen
PBM Veiligheidsboxen
Sport en vrijetijdskleding
Sport en vrijetijdskleding
Broeken
Jassen
Valbeveiliging
Valbeveiliging
Gordels
Lijnen met valdemper
Sluitingen
Valbeveiliging, toebehoren
Valbeveiligingssets
Valstopapparaten
Voetbescherming
Voetbescherming
Jassen
Klompen
Laarzen
Schoen onderhoudsmiddelen
Schoen, toebehoren
Signaalkleding
Sokken
Veiligheidslaarzen
Veiligheidsschoenen hoog
Veiligheidsschoenen laag
Werkschoenen
Werkkleding
Werkkleding
Amerikaanse overalls
Beschermmouwen
Blouses
Bodywarmers
Bosbouwkleding
Brandvertragende signaalkleding
Caps
Chemiekleding
Colberts
Colberts
Drijfpakken
Gilets
Halsdoeken
Hittekleding
Jassen
Kinderkleding
Kleding brandvertragend
Kleding zuurbestendig
Kleding, toebehoren
Korte broeken
Laskleding
Multi-norm kleding
Mutsen
Onderkleding
Overalls
Polo's
Polosweaters
Pullovers
Regenkleding
Rokken
Schoen, toebehoren
Schorten
Shirts
Signaalkleding
Stofjassen
Sweaters
T-shirts
Truien
Veiligheidsschoenen hoog
Veiligheidsschoenen laag
Vesten
Waadpakken
Werkbroeken
Werkhandschoenen
Werkhemden
Landbouwmateriaal
Landbouwmateriaal
Schrikapparaten
Lastechniek
Lastechniek
Las- en snijapparatuur
Las- en snijapparatuur
Drukregelaars cilindermontage
Gascilinders
Las- snijapparatuur, toebehoren
Las- snijbrandersets
Lasgereedschappen
Snijgereedschappen
Lasbescherming
Lasbescherming
Lasdekens
Lasschermen
Laspistolen
Laspistolen
Laspistolen MIG/MAG
Laspistoolonderdeel
Soldeer
Soldeer
Hardsoldeer
Zachtsoldeer loodvrij
Zachtsoldeer tin/lood
Logistiek
Logistiek
Afbakeningsmiddelen
Afbakeningsmiddelen
Afbakeningsmiddelen
Bebording
Bebording
Brandblussers
Branddekens
Brandpreventie
Deurborden
Gebodsborden
Locatieborden
Redding en Evacuatie
Verbodsborden
Verkeersborden
Waarschuwingsborden
Bedrijfswageninrichting
Bedrijfswageninrichting
Bedrijfswagenafsluiting
Zijwanden
Extern transport
Extern transport
Betonstortwagens
Industrie aanhangers
Kruiwagen, toebehoren
Kruiwagenonderdelen
Kruiwagens
Kruiwagens elektrisch
Ladingvastzetsystemen
Wielblokkering
Hijstechniek
Hijstechniek
Garage equipment
Hefgereedschap
Hijsbanden
Hijsketting, toebehoren
Hijsklemmen
Hijstassen
Loopkatten
Rondstroppen
Takels
Vacuümheffers
Infrastructuur
Infrastructuur
Wegenbouw
Intern transport
Intern transport
Afvalbakken
Bakwagens
Etagewagens
Gasflessenwagens
Handtrekwagens
Hef- hoekrollers
Heftafels
Kantelbakken
Pakketwagens
Pallettrucks
Platen- glaswagens
Platendragers
Platformwagens
Rolplateau's
Serveerwagens
Steekwagens
Tafelwagens
Transport- onderzetrollers
Transportwagens
Vatenhandling
Verrijdbare laadborden
Vork- platformlifter
Werkplaatswagens
Klimmaterieel
Klimmaterieel
Doorwerksystemen
Ladders
Steigers
Trappen
Opbergmaterialen
Opbergmaterialen
Assortimentsbakken
Assortimentsdozen
Assortimentskasten
Containers
Etiketen/Labels
Foudralen
Gereedschapshouders
Gereedschapskisten
Gereedschapskoffers
Gereedschapskoppels
Holsters
Koffers
Milieu opbergmiddelen
Montagekoffers
Opbergboxen
Opslagbakken
Spijkerschorten
Tassen
Transportkisten
Vaten
Verhuisdozen
Verpakkingsmaterialen
Verpakkingsmaterialen
Kunststofverpakkingen
Vlaggen
Vlaggen
Vlaggen
Vlaggenstokken
Vlaggenstokonderdelen
Werkplaatsinrichting
Werkplaatsinrichting
Beschermdekens
Gereedschapswagens
Gereedschapswanden
Kast, toebehoren
Kasten
Ladekast, toebehoren
Ladekasten
Lagers
Liften
Rolbokken
Scheidingswanden
Stellingen
Stellingonderdelen
Verpakkingsmaterialen
Werkbankcomponenten
Werkbanken
Werkplaatsstoelen
Wielen
Wielen
Dubbelrollen
Wielen met halfelastische rubber band
Wielen met kunststof wiel
Wielen met polyamide loopvlak
Wielen met rubber band
Wielen met vol elastische rubber band
Wielen, los
Machines
Machines
Accu gereedschap
Accu gereedschap
Accu's
Adapters
Betonverdichtings- en afwerkmachines
Blindklinknageltangen
Boorbreekhamers
Boorhamers
Boormachines
Boorschroefmachines
Buig-en knipmachines
Compressoren
Diamant gereedschap
Freesmachines
Heteluchtpistolen
Kitpistolen
Lampen
Lijmpistolen
Luchtbehandelingsmachines
Machine assortiment
Mengmachines
Multi-machines
Nietmachines
Oplaadapparaten
Persmachines
Polijstmachines
Pompen
Radio's
Reinigingsmachines
Schaafmachines
Scharen
Schroefautomaten
Schroevendraaiers
Schuurmachines
Slagmoeraanzetters
Slagschroevendraaiers
Slijpmachines
Snijmachines
Soldeerbouten
Spijkerinslagmachines
Stampers
Tackers
Trilplaten
Tuingereedschap
Vetspuiten
Vetspuiten
Vlechtmachines
Waterpasinstrumenten
Zaagmachines
Elektrisch gereedschap
Elektrisch gereedschap
Afwerkspanen
Afzuiginstallaties
Betonmolens
Betontrilnaalden
Boorbreekhamers
Boorhamers
Boormachine, toebehoren
Boormachines
Breekhamers
Buig-en knipmachines
Compressoren
Diamant gereedschap
Draadsnijmachines
Freesmachines
Graveermachines
Heaters
Heteluchtpistolen
Kantenlijmers
Lasapparaten
Lijmpistolen
Luchtbehandelingsmachines
Mengmachines
Multi-machines
Ontdooitransformator
Ontstoppers
Pompen
Pompen
Radio's
Reinigingsmachines
Reinigingsmachines
Schaafmachines
Scharen
Scharen
Schroefmachines
Schuurmachines
Slagmoeraanzetters
Slijpmachines
Soldeerbouten
Soldeerstations
Stofverzamelaars
Tackers
Tuingereedschap
Verfspuiten
Verwarmingsapparaten
Zaagmachines
Handbediende machines
Handbediende machines
Boormachines
Handtackers
Haspelwikkelmachines
Knipmachines
Pompen
Reinigingsgereedschap
Scharen
Snijmachines
Zaagmachines
Machine combinatiesets
Machine combinatiesets
Machine combinatiesets
Machine, toebehoren
Machine, toebehoren
Aandrijfmotoren
Afzuiginstallatie, toebehoren
Betonmolen, toebehoren
Betonslijper, toebehoren
Betontrilnaald, toebehoren
Blaas- en zuigmachine, toebehoren
Boorhamer, toebehoren
Boorhouders
Boorhoudersonderdelen
Boorhulzen
Boormachine, toebehoren
Boorschroefmachine, toebehoren
Breekhamer, toebehoren
Compressor, toebehoren
Decoupeerzaagmachine, toebehoren
Draadsnijmachine, toebehoren
Draaibank, toebehoren
Drukspuit, toebehoren
Flexibele-as machines, toebehoren
Freesmachine, toebehoren
Gas/kruittackers, toebehoren
Heater, toebehoren
Hogedrukreiniger, toebehoren
Kabelschaar, toebehoren
Kantenlijmer, toebehoren
Kitpistool, toebehoren
Knabbelschaar, toebehoren
Knipmachine, toebehoren
Lasapparaat, toebehoren
Lijmpistool, toebehoren
Luchtbehandelingsmachine, toebehoren
Machine onderstellen
Mengmachine, toebehoren
Multi-machine, toebehoren
Persmachine, toebehoren
Plaatschaar, toebehoren
Pneumatiek, toebehoren
Polijstmachine, toebehoren
Pomp, toebehoren
Schaafmachine, toebehoren
Schroevendraaier, toebehoren
Schuurmachine, toebehoren
Slijpmachine, toebehoren
Soldeerbout, toebehoren
Stofzuiger, toebehoren
Tacker, toebehoren
Tegelsnijmachine, toebehoren
Transportwagen, toebehoren
Trilplaat, toebehoren
Tuingereedschap, toebehoren
Verfspuit, toebehoren
Waterpasinstrument, toebehoren
Zaagmachine, toebehoren
Machineonderdelen
Machineonderdelen
Knipmachineonderdelen
Koolborstels
Machineonderdelen
Motorisch gereedschap
Motorisch gereedschap
Afwerkspanen
Betonmolens
Compressoren
Generatoren
Pompen
Slijpmachines
Trilplaten
Tuingereedschap
Vlindermachines
Zaagmachines
Pneumatisch gereedschap
Pneumatisch gereedschap
Bandenspanningsmeters
Blaaspistolen
Blindklinknageltangen
Boormachines
Gas/kruittackers
Hakhamers
Hogedrukspuiten
Kitpistolen
Luchtslanghaspels
Naaldbikhamers
Persluchtsets
Slagmoersleutels
Slijpmachines
Spuitpistolen
Tackers
Veerkabelhaspels
Verfspuiten
Vetpompen
Zaagmachines
Stationair machines
Stationair machines
Afzuiginstallaties
Boormachines
Draadsnijmachines
Snelstarters-acculaders
Werkbankslijpmachines
Zaagmachines
Zandstraalcabines
Meubelbeslag
Meubelbeslag
Ladebeslag
Ladebeslag
Ladegeleiders
Ladegeleiders kogelloopwerk
Ladegeleiders telescoop
Ladegrepen
Meubelbeslag
Meubelbeslag
Meubelbescherming
Meubelgrepen
Meubelknoppen
Meubelpoten
Meubelscharen
Meubelscharnieren
Meubelverbindingen
Meubelverbindingen
Meubelverbindingen
Profielen
Profielen
Afdichtingsprofielen
Afdichtingsprofielen
Afdichtingsprofielen
Afdichtingsprofielen, brandwerend
Kaderprofielen
Beschermingsprofielen
Beschermingsprofielen
Beschermingsprofielen
Bouwprofielen
Bouwprofielen
Afdekprofielen
Bekistingsprofielen
Dakrandprofielen
Hoekbeschermingsprofielen
Horprofielen
Lekdorpelprofielen
Plaatprofielen
Plankdragerprofielen
Profiel, toebehoren
Profielen standaard
Schroten
Stucprofielen
Tafelrandprofielen
Tegelprofielen
Trapprofielen
Waterslagen
Platen
Platen
Platen geperforeerd
Platen glad
Preventieprofielen
Preventieprofielen
Deurprofielen anti-inbraak
Deurprofielen anti-inbraak SKG*
Deurprofielen anti-inbraak SKG* / SKG V
Doorvalbeveiliging, toebehoren
Doorvalbeveiligingen
Raamprofielen anti-inbraak
Raamprofielen anti-inbraak SKG*
Raamprofielen anti-inbraak SKG**
Tochtprofielen
Tochtprofielen
Dorpelprofielen
Dorpelstrips
Tochtprofielen
Sanitair
Sanitair
Badkamer
Badkamer
Badkamer-accessoires
Douche-accessoires
Douches
Keramiek
Keramiek
Toiletten
Kranen
Kranen
Badkamerkranen
Kraan, toebehoren
Toiletten
Toiletten
Toilet-accessoires
Toilet, toebehoren
Tuingereedschappen
Tuingereedschappen
Baggerbeugels
Baggerbeugels
Baggerbeugels
Batsen
Batsen
Batsen
Schepbatsen
Steekbatsen
Beplantingsartikelen
Beplantingsartikelen
Opbindartikelen
Besproeiingstechniek
Besproeiingstechniek
Broesen
Sprinklersystemen
Sproeiers
Waterverdelers
Bijlen
Bijlen
Bijlen
Boombijlen
Keukenbijlen
Kloofbijlen
Drukspuiten
Drukspuiten
Drukspuiten
Plantenspuiten
Gieters
Gieters
Gieters
Grondboren
Grondboren
Grondboren
Palentrekkers
Verlengstukken
Hakken
Hakken
Hakken
Harken
Harken
Asfaltharken
Bladharken
Gazonharken
Hooiharken
Tuinharken
Heien
Heien
Heien
IJsbrekers
IJsbrekers
IJsbrekers
Kniekussens
Kniekussens
Kniekussen
Krabbers
Krabbers
Krabbers
Leidingprikkers
Leidingprikkers
Leidingprikkers
Meststoffen
Meststoffen
Zaden
Onkruidstekers
Onkruidstekers
Onkruidstekers
Opbergsystemen
Opbergsystemen
Opbergsystemen
Outdoor
Outdoor
Kampeerbenodigheden
Pikhouwelen
Pikhouwelen
Pikhouwelen
Rieken
Rieken
Rieken
Sappies
Sappies
Sappies
Scharen
Scharen
Heggenscharen
Schaar, toebehoren
Snoeischaren
Takkenscharen
Schepnetten
Schepnetten
Schepnetten
Schoffels
Schoffels
Schoffels
Schoppen
Schoppen
Ballastschoppen
Betonschoppen
Graanschoppen
Kabelschoppen
Steekschoppen
Zandschoppen
Schuivers
Schuivers
Sneeuwschuivers
Sleggen
Sleggen
Sleggen
Spades
Spades
Boomspades
Draineerspades
Spades
Zwanenhalsspade
Stelen
Stelen
Batsstelen
Bijlstelen
Combistelen
D-stelen
Harkstelen
Kloofbijlstelen
Merkusspadestelen
PD stelen
Pikhouweelstelen
Schoffelstelen
Schopstelen
Sleggestelen
Sloothaakstelen
Spadestelen
Steel universeel
Stokhouders
Stokhouders
Stokhouders
Strooiwagens
Strooiwagens
Strooiwagens
Strooizoutopslagbakken
Strooizoutopslagbakken
Strooizoutopslagbakken
Tegelkrabbers
Tegelkrabbers
Voegenkrabbers
Verticuteermachines
Verticuteermachines
Verticuteermachines
Vorken
Vorken
Aardappelvorken
Hooivorken
Mestvorken
Puinvorken
Spitvorken
Vuilgrijpers
Vuilgrijpers
Vuilgrijpers
Zagen
Zagen
Snoeizagen
Stokzagen
Tuinzagen
Zeisen
Zeisen
Zeisen
Verspanende gereedschappen
Verspanende gereedschappen
Beitels
Beitels
Koudbeitels
Boren
Boren
Betonboren
Boorkronen
Boren, toebehoren
Borensets
Diamantboren
Dozenboren
Houtboren
Kernboren
Metaalboren
Multiboren
Scharnierboorsystemen
Steenboren
Tegelboren
Verzinkboren
Bovenfrezen hout
Bovenfrezen hout
Afrondfrezen
Fasefrezen
Frees, toebehoren
Freesboren
Freesmessen
Frezen met kogellager
Frezensets
Getrapte frezen
Graveerfrezen
Groeffrezen
Groefzagen
Holprofielfrezen
Houtraspen
Kantenfrezen
Lijstfrezen
Messingfrezen
Profielfrezen
Schijffrezen
T-gleuffrezen
V-groeffrezen
Zwaluwstaartfrezen
Draadreparatiegereedschappen
Draadreparatiegereedschappen
Draadreparatietappen
Draadsnijgereedschappen
Draadsnijgereedschappen
Boortappen
Draadsnijsets
Draadsnijtoebehoren
Handtappen
Machinemoertappen
Machinetappen
Roltappen
Snijmoeren
Snijplaten
Draaigereedschappen
Draaigereedschappen
Frezen
Wisselplaten
Freesgereedschappen hout
Freesgereedschappen hout
Groeffrezen
Frezen metaal
Frezen metaal
Eensnijders
Frezensets
Gatfrezen
Kopverzinkfrezen
Mantelkopfrezen
Ruwfrezen
Schachtfrezen
Schijffrezen
Spiebaanfrezen
Stiftfrezen HM
Stiftfrezen HSS
Verzinkfrezen
Vingerfrezen
Gatzagen
Gatzagen
Gatzaag, toebehoren
Gatzagen
Keermessen
Keermessen
Keermessen, HM
Ontbraamgereedschappen
Ontbraamgereedschappen
Aanschuiners
Handontbramer, toebehoren
Handontbramers
Ontbraamschijven- wielen
Polijstmiddelen
Polijstmiddelen
Poetsschijven
Polijstmaterialen
Staalwol
Ruimers
Ruimers
Handruimers
Machineruimers
Schaafbeitels
Schaafbeitels
Schaafbeitels
Schuurmiddelen
Schuurmiddelen
Klitschuurbladen
Klitschuurschijven
Minischuurschijven
Schuurbanden
Schuurblokken
Schuurborstels
Schuurhulzen
Schuurlinnen
Schuurpads
Schuurpapier
Schuurschijven
Schuursets
Slijpbanden
Spiraalbanden
Steunschijven
Schuurmiddelen non-woven
Schuurmiddelen non-woven
Handpads
Klitschuurschijven
Klitschuurschijven
Polijst-lamellenschijven
Reinigingsschijven, non-woven
Schuurbanden
Schuurschijven
Schuurvellen
Schuurvlies
Schuurwielen
Slijpmiddelen
Slijpmiddelen
Afbraam- doorslijpschijven
Afbraamschijven
Diamant schijven
Doorslijpschijven
Draadborstels
Lamellenrollen
Lamellenschijven
Schuurhulzen
Slijpschijf, toebehoren
Slijpschijven
Slijpstenen op stift
Slijpstenen, bakeliet gebonden
Zaagbladen
Zaagbladen
Cirkelzaagbladen
Decoupeerzaagbladen
Diamant zaagbladen
Lint-, bandzagen
Multimachine zaagbladen
Reciprozaagbladen
Zaagblad, toebehoren
Woondecoratie
Woondecoratie
Gordijnophangsystemen
Gordijnophangsystemen
Gordijnrail
Gordijnrail, toebehoren
Gordijnroede, toebehoren
Schilderijophangsystemen
Schilderijophangsystemen
Schilderijrail
Schilderijrail, toebehoren
Diensten
Diensten
Gereedschapbeheer
Sleutels en cilinders
Werkkleding & PBM
PBM op maat
Technisch Service Centrum
Verhuur
Kenniscentrum
Kenniscentrum
Actiefolder aanvragen
Altrex maatwerk en projecten
Ankerplan
BIM
Downloads
Kerntrekbeveiliging
Lean
Luchtdicht bouwen
Meedenk Concept
Toolbox Meeting
Klanten
Klanten
Rekening aanvragen
Reparatie aanvragen
Bestellen en bezorgen
Over Breur
Over Breur
Algemene voorwaarden
Certificaten
Maatschappelijk Verantwoord Ondernemen
Onze showrooms
Rapportages
Wie zijn wij
Contact
Contact
Geef uw mening!
Openingstijden
Uw gegevens bij Breur
Werken bij Breur
Vestiging Capelle a/d IJssel
Vestiging Gouda
Vestiging Den Haag
Werken Bij Breur
Startpagina
/
Bevestigingsmaterialen
/
Klinksystemen
/
Blindklinknagels
/
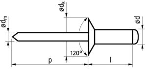
Masterfix Blindklinknagel aluminium/staal open type/verzonken kop
Masterfix Blindklinknagel aluminium/staal open type/verzonken kop
Omschrijving
Varianten
Varianten laden...
Bestel nu!
Productnummer
verpaktper
lengte(huls)
klembereik
Prijs
Eenheid
True
1038376
500
14
8 - 10
True
1038380
250
25
18 - 21
Chat with us
, powered by
LiveChat
×
Close
Quick View