Op voorraad

Nemef Paniekdeurslot, zelfvergrendelend 699 U20 60 mm inclusief sluitplaat, Rechts

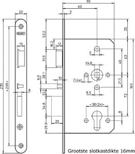
Omschrijving
Toepassing
  • Geschikt voor toepassing in enkele binnendeuren met paniekfunctie E in de utiliteitsbouw met greep-kruk beslag.

Specificaties
  • Zelfvergrendeling voor een hogere inbraakveiligheid
  • Gecertificeerd volgens EN179, alleen te combineren met geteste combinaties
  • Volledig gesloten slotkast voorkomt binnendringen vuil voor lange probleemloze werking
  • Uniforme slotkastafmeting met 600 serie sloten
  • Paniekfunctie E; doorgaande tuimelaar
  • Zamac vernikkelde dagschoot
  • Links en rechts verschillend
  • Zamac vernikkelde nachtschoot
  • 17mm europrofielcilinder uitvoering
  • Niet toepasbaar in combinatie met een knopcilinder
  • RVS afgeronde voorplaat
  • Levering inclusief Sluitplaat P 7200/17
  • Buitenzijde: door sleutelbediening kan de dag- en nachtschoot worden bediend
  • Binnenzijde: paniekfunctie volgens EN179
Lees meer...
Merk: Nemef
Beschikbaarheid:: Op voorraad
Artikelnummer: 1201381
EAN: 8713515176987
Product specificaties
Attribuut naamAttribuut waarde
model (voorplaat)ronde hoek(en)
materiaal (voorplaat)rvs
aantal (toeren)1-toers
doornmaat60
draairichting4
model (slot/vergrendeling)insteekcilinderslot
slotbedieningprofielcilinder
lengte (voorplaat)235
breedte (voorplaat)20
anti-paniekja
cilindersparing17
uitvoeringzelfsluitend
binnen- buitendraaiendnaar buiten